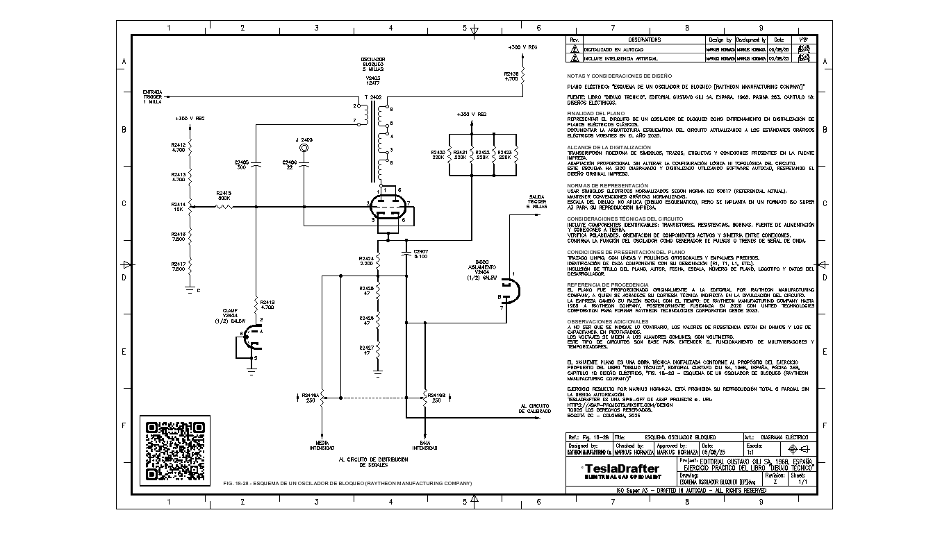
top of page
TeslaDrafter
ELECTRICAL CAD SPECIALIST
From Oscillation to CAD Precision—Challenging the Electro Status Quo



© TESLADRAFTER specializes in drafting electrical and electronic diagrams and designs using advanced CAD technology and AI support.
Under the direction of Markus Hormaza, it combines precision and efficiency to transform concepts into functional and accurate designs.
© TESLADRAFTER´s precise: the meticulous and parameterized digitization of electrical and electronic diagrams.
bottom of page